Preventive maintenance

XRF
X-ray Fluorescence (XRF)

XRF is an analytical technique that uses the interaction of X-rays with a material to determine its elemental composition. XRF is suitable for solids, liquids and powders, and in most circumstances is non-destructive.

Last updated 3 mins ago

XRD
X-Ray diffraction analysis (XRD)

XRD is a nondestructive technique that provides detailed information about the crystallographic structure, chemical composition, and physical properties of a material [48]. It is based on the constructive interference of monochromatic X-rays and a crystalline sample.

Last updated 3 mins ago


hidrolics
Hydraulic Cylinder

The cylinders that come to the service department are disassembled, all parts are checked and the damaged ones are determined and revised or new ones are manufactured.

Last updated 3 mins ago

XRD
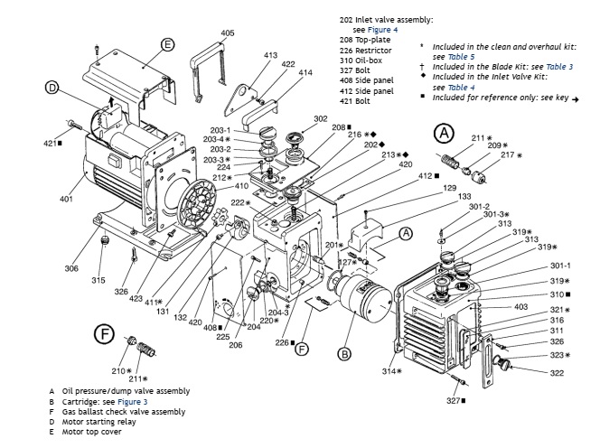
Vacuum pump repair and maintenance

We will repair your Edwards vacuum pump equipment to meet or exceed OEM specifications, covered with our exclusive Warranty. The vacuum pump will be inspected by our factory-trained technicians, covering all aspects of the Edwards vacuum pump repair operation, including tolerances, seals, gaskets, vanes, rotors, shafts, bearings, pulleys/couplings, electric motors, for optimum vacuum levels and safety.

Last updated 3 mins ago


Modern Laboratory Design

Laboratory design refers to the arrangement and layout of a laboratory. Good design creates an environment that serves business or educational requirements, while also maximizing space and flexibility

Last updated 3 mins ago


Instrument & Machinery Design

Our instrument design team is formed of skilled software and design engineers with expertise which covers complex computer controlled multi-axis electro-mechanical systems, through to simple test fixtures, sample moulds and templates.